• 产品价格
  • 其他型号
产品图片仅供参考,以右边产品信息为准。
手机查看

SMC AC 空气组合三联件

促销价
¥359.88 /个
市场价
¥1147.00/个
RDFD
促 销
优惠券
更多
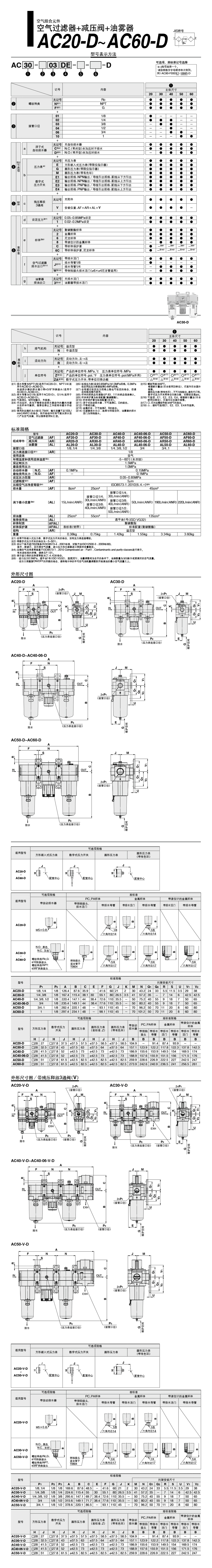
订货号 AC30-03D-D
型号 AC30-03D-D
品牌
SMC
系列
AC
品类
气源处理组合装置
包装规格
-
渠道
配送至
总库存: 24
货期参考

发货渠道 库存数单价渠道发货数发货时间

第三方发货* 华南-263号仓 24 ¥359.88/个 1 预计04-07发货

支付方式
微信支付 支付宝支付 对公付款

立即购买 加入购物车 加入货架

选择参数规格
规格参数筛选 清空筛选
产品信息 参数 库存 促销价 渠道/对应数量/货期时效 数量
加入货架 加入购物车 立即购买 总价¥00.00 已选择0种商品,共0
  • 产品详情
  • 规格参数
  • 资料下载
详情页AC-D.jpg
    ! 暂无产品资料附件